S-DTY Single-phase AC Voltage Regulator 220/380VAC
S-DTY Single-phase AC fully isolated module for voltage regulation, for industrial use, 0-220VAC or 380VAC up to 390A
- Fully isolated
- Control via potentiometer for voltage and current
- Load current: 10-400 A
- Built-in RC
- Excellent linear output
- High reliability
Specifications:
- Type: S-DTY
- Load voltage: 220VAC or 380VAC
- Load current: 10A, 15A, 20A, 25A, 40A, 50A, 60A, 80A, 100A, 120A..400A
- Control: potentiometer 330KΩ 2W (WTH118-1A-470K2W), for voltage or current
- Opto-isolation: YES
- Maximum leakage current when off state: 2mA
- Maximum voltage drop when on state: 1.5V
- Dielectric strength (input, output to base): 2500Vrms
- Weight (approximately): 450g
- Operating temperature: -20°C~80°C
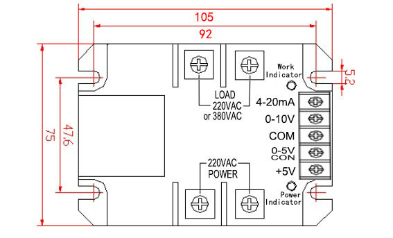
- Dimensions (mm): 105L x 75W x 40H mm
- Certification: CE
- Made in: China
Curve:

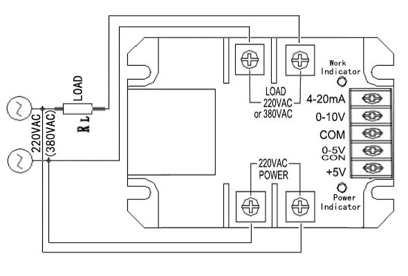
Dimensions and Wiring Diagram:


Input Wiring Methods:

Model Number and Parameters:
| Model | Power/Load 220V | Heatsink | Fan | |
| Resistive | Inductive | |||
| S-DTY220D10P | 1kW | 0.5kW | No | No |
| S-DTY220D40P | 4kW | 2kW | No | No |
| S-DTY220D75P | 6kW | 3kW | H-150 | No |
| S-DTY220D120P | 8.5kW | 4.5kW | Y-80 | Recommended |
| S-DTY220D190P | 14kW | 7kW | Y-150 | Recommended |
| S-DTY220D290P | 21kW | 10kW | Y-150 | Recommended |
| S-DTY220D350P | 25kW | 12.5kW | Y-150 | Recommended |
When to Use This Regulator:
- This regulator is not suitable for energy saving and LED lighting, televisions, computers, music players, or other devices that contain switching power supplies and/or rectifiers or other electronic components. This regulator is not suitable for asynchronous motors with a motor (starting) capacitor
- Common bulbs, heaters, fans, ventilation systems, single-phase motors, soldering irons, etc.
How to Choose the Right Regulator:
For pure resistive loads, multiply the operating current by three. Example: (2.2kW/220V) * 3 = 30, so the most suitable model will be 40A - S-DTY220D40P
For inductive loads (motors), multiply the operating current by five. Example: (5kW/220V) * 5 = 113, so the most suitable model will be 120A - S-DTY220D120P
Cooling:
To prevent overheating and to ensure proper operation of models with a power of 40A, 60A, 80A, 100A, and 120A, it is necessary to use a heatsink. Models from 40A and above include a heatsink.
Do not use models with ratings higher than 40A without cooling!
NOTE:
- Input and output terminals are not isolated, use caution!
- If the load exceeds 25A, you must install a heatsink; if it exceeds 40A, you must add a fan.
Package Contents:
- S-DTY type voltage regulator
- Heatsink for models 40A and above


Heatsinks:











