SF-101B 220V/30A - Elektronický termostat pro chlazení
SF-101B 220V/30A - Elektronický termostat pro chlazení
SF-101B 220V/30A - Elektronický termostat pro chlazení a vytápění
The SF-101 series electronic thermostats are designed for cooling, deep freezing, and general refrigeration applications.
These electronic thermostats can be used for both cooling and heating applications within a temperature range of -45 °C to +82 °C.
(replacement for PCR-100, PCR-110, PCR-300, PCR-310, PCR-410, PCR-300RC, and STC1000/STC-1000)
Features:
- Temperature display
- Temperature regulation
- Value storage / Self-testing
- Parameter locking
Technical specifications:
- Temperature measurement range: -45~99°C
- Temperature setting range: -45~82°C
- Accuracy: ±1°C
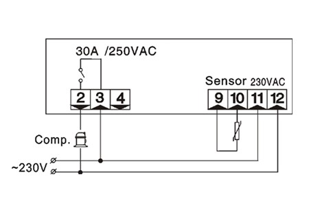
- Compressor: N.O. 30A/250VAC
Parameters 1
|
Parameter
|
Function
|
Adjustable range
|
Default
|
|
E1
|
Lower limit setting
|
−45°C~Set Temperature
|
−35°C
|
|
E2
|
Upper limit setting
|
Set Temperature~82°C
|
20°C
|
|
E3
|
Temperature hysteresis
|
1~30°C
|
4°C
|
|
E4
|
Delay for compressor start
|
0~10Min
|
2Min
|
|
E5
|
Offset to room temperature
|
−20~20°C
|
0
|
|
CF
|
Temerature unit
|
°C/F
|
°C
|
Parameters 2
|
Parameter |
Function |
Adjustable range |
Default |
|
F1 |
Max. defrost duration |
1~90min |
20min |
|
F2 |
Interval defrost duration |
0~24Hr |
0Hr |
|
F4 |
Temperature displayed during defrost |
0=Normal display 1=Last value before defrost |
1 |



